联系客服
客服二维码

联系客服获取更多资料

微信号:LingLab1

客服电话:010-82185409

意见反馈
关注我们
关注公众号

关注公众号

linglab语言实验室

回到顶部
关注收藏
对比
丹麦 B&K 发音生理振动采集分析系统 BK Connect
35
硬 件/软 件: 软件
工 具 类 型: 发音生理振动采集分析系统
研 究 方 向: 生理语音学 声学语音学
品          牌: B&K
型          号: BK Connect

关 注 学 者:

电话咨询

010-82185409

微信咨询

LingLab1

客服二维码

基本信息 主要部件(2) 工具交流(2)

工具简介:
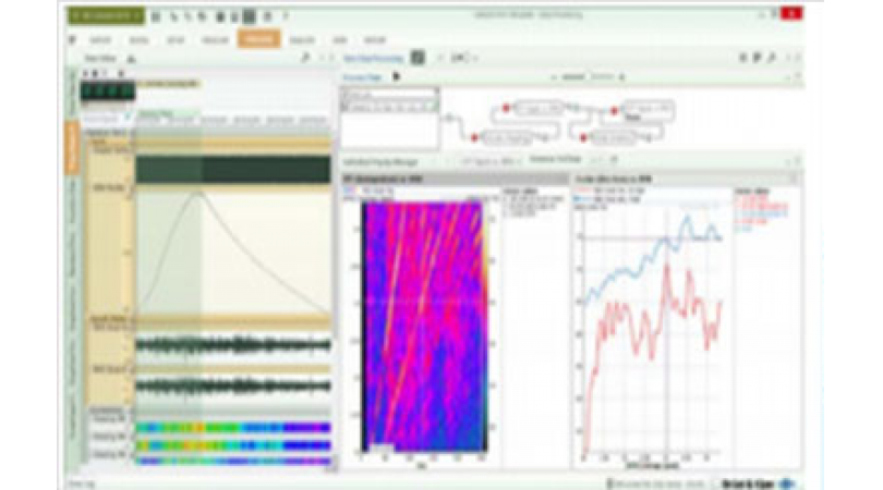
丹麦B&k公司拥有一整套的声学振动数据采集和分析仪解决方案,满足客户的方方面面的测试和分析需求。建立在超过70年的经验、知识和创新的基础上,产品涵盖了从简单的单通道手持式分析仪导大型的先进的多通道系统。所有这些解决方案都可应用BK Connect分析软件对测量数据进行深入分析。业界领先的LAN-XI数据采集硬件与BK Connect或Sonoscout软件完美匹配。BKConnect 分析平台可按照不同用户的工作流程和任务而灵活设置工作流程,并兼容主流声学与振动数据格式。该系统主要由:传声器、校准器、振动传感器、电荷放大器和前端主机、采集电脑、Pulse/BK connect 分析软件构成。
硬件/软件:
软件:
研究方向:
生理语音学 声学语音学
工具类型:
发音生理振动采集分析系统
主要参数:
属性名称 属性值
品牌 B&K
型号 BK Connect
软件/硬件 软件
主要功能:
功能名称 功能说明
传声器 对发音的采集和测量;
传感器 可以采集声音和振动信号;
放大器 对采集的信息进行滤波和放大;
PULSE/BK connect分析仪系统 能够对声音和振动信号进行多方位的分析;
振动传感器 可以用于研究不同语音类型和发声类型在人体各个发音部位引起的振动情况,人体肌肉组织的固有频率和代偿性发音,发音腔体的共鸣分析,并辅助以其他生理信号的测量。还可以用来做各种乐器声腔的共鸣和振动研究,建立乐器发声和共鸣模型,模拟乐器发声;